YTT-150差动远传压力表是二线制本质安全型隔爆仪表,用于测量对铜及其合金不起腐蚀作用的液体、气体和蒸汽的压力。仪表带上阻尼器后,可测量脉动、冲击、突然卸荷介质的压力。带上隔膜体后,可测量粘度大、有腐蚀性质的压力。
差动远传压力表除就地进行压力指示外,还连续输出与被测压力信号成线性的0-10mA或4-20mA直流信号,可以与DDZ-II或DDZ-III型变送单元组合仪表中的显示、记录、调节仪表联网用,组成自动记录、调节、控制系统。适用于石油化工、治金、电站,轻工等部门使用。
一、技术参数:
1.输出信号:4~20mA Dc,二线制;
2.精度等级:1.6级;
3.负载电阻:250Ω~350Ω;
4.防爆标志:ib Ⅱ CT5;
5.供电电源:直流24V(+10或-15) %(本质安全型经ISB(5362-1006或5362-2006)型安全供电);
6.工作环境:温 度:-10~+55℃、相对湿度:≤85%、外磁 场:≤5奥斯特;
7.仪表执行标准:Q/320211 DSY03-2003。
8.差动远传压力表型号表示及量程范围:
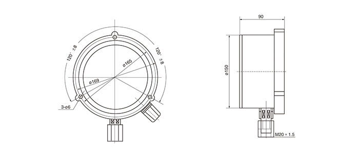
9. 差动远传压力表外形尺寸图:
| 名称及型号 |
输出信号 与负载电阻 |
测量范围(MPa) |
精度 等级 |
|
|
差动远传 压力表 |
耐震差动 远传压力表 |
|||
| YTT-150A | YTT-150A-Z |
4~20mADC ≤250Ω |
-0.1~0.3;-0.1~0.5;-0.1~0.9; -0.1~1.5-0.1~2.4;0~0.16; 0~0.25;0~0.4;0~0.6;0~1.0; 0~1.6;0~2.5;0~4.0;0~6.0; 0~10;0~16;0~25;0~40;0~60 |
1.6 |
| YTT-150 | YTT-150-Z | |||

注:
1、产品分为基型,带阻尼器型“Z”,带隔膜型“G”(与介质接触部分材料为IGr18Ni9 Ti和P2611混炼)、带隔膜阻尼型“F”。
2、仪表供电电源为直流24V,作本质安全型使用时由CI系列ISB安全栅供电,作普通型使用时由配电器供电。









![[list:title]](/uploads/allimg/180721/1-1PH1061A7.jpg)