YEX-100/150(B)膜盒电接点压力表采用膜盒作为测量微小压力的敏感元件,适用于测量气体或液体的微压和负压,并在压力达到预定值时发出信号,接通控制电路,达到自动控制的报警得目的。广泛应用于锅炉通风、气体管道、燃烧装置等及其它类似设备上。
一、结构与测量原理:
膜盒电接点压力表由测量系统(包括接头,波纹膜盒等)、指示装置、磁助电接点装置、外壳、调节装置及接线盒等组成。
膜盒电接点压力表是基于波纹膜盒在被测介质的压力作用下,其自由端产生相应的弹性变形,再经拔杆一齿轮传动机构的传动并予放大,由固定于齿轮轴上的指针逐将被测值在度盘上指示出来。当被测压力作用于波纹膜盒时,其末端产生相应的弹性变形—位移,经传动机构放大后,由指示装置在度盘上指示出来。同时指针带动电接点装置的活动触点与设定指针上的触头(上限或下限)相接触的瞬时,致使控制系统接通或断开电路,以达到自动控制和发信报警的目的。
二、技术指标:
1.接点装置电气参数及控制形式:
2.电气电路连接示意图:
3.测量范围与精确度:
4.导(测)压系统及外壳等主要零件的材质:
三、压力表选型表:
| 触头功率 | 高工作电压 | 大工作电流 | 控制形式 |
| 30VA(阻性负载) | 220V D.C或380V A.C | 1A | 上下限、双上限、双下限 |
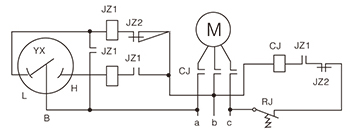
2.电气电路连接示意图:
![]() |
JZ1、JZ2-继电器及触点 CJ-接触器及触点 RJ-热继电器 M-电机 YX-电接点压力表 L-下限接点(绿) H-上限接点(红) B-公共接点(黄) |
3.测量范围与精确度:
| 型号 | 量程范围(KPa) | 精度等级 | ||
| 正压 | 负压 | 正负压 | ||
|
YEX-100 YEX-100B YEX-150 YEX-150B |
0~1.6 | -1.6~0 | -0.8~0.8 | 2.5 |
| 0~2.5 | -2.5-0 | -1.2~1.2 | ||
| 0~4 | -4~0 | -2~+2 | ||
| 0~6 | -6~0 | -3~+3 | ||
| 0~10 | -10~0 | -5~+5 | ||
| 0~16 | -16~0 | -8~+8 | ||
| 0~25 | -25~0 | -12~+12 | ||
| 0~40 | -40~0 | -20~+20 | ||
|
YEX-100/150膜盒电接点压力表 YEX-100/150B不锈钢膜盒电接点压力表 |
||||
4.导(测)压系统及外壳等主要零件的材质:
| 零件名称 | 材料编号 |
| 接头 | 1icr18Ni9T、Ocr18Ni12Mo2Ti、 sus316不锈钢 |
| 膜盒 | 1icr18Ni9T、Ocr18Ni12Mo2Ti、 sus316不锈钢 |
| 齿轮传动机构 | 1icr18Ni9T、Ocr18Ni12Mo2Ti、 sus316不锈钢 |
| 表壳,罩壳 | 1icr18Ni9T、Ocr18Ni12Mo2Ti、 sus316不锈钢 |
三、压力表选型表:
| Y | 压力表 | ||||
|
仪表类型 (可复选) |
E | 膜盒 | |||
| N | 耐震 | ||||
| X | 电接点 | ||||
| 表盘直径 | 60 | 直径ф60mm | |||
| 100 | 直径ф100mm | ||||
| 150 | 直径ф150mm | ||||
| 仪表材质 | 无 | 普通型 | |||
| B | 全不锈钢 | ||||
|
隔离器选择 (隔膜压力表) |
ML | 螺纹式 | |||
| MF | 敞开法兰式 | ||||
| MG | 工字法兰式 | ||||
| GL | 角形法兰式 | ||||
| RL | 软管连接式 | ||||
| MC | 卡盘连接卫生型 | ||||
|
附加选项 (连接器选择) |
YL | 硬管连接器 | |||
| RL | 软管连接器 | ||||
| GL | 角形连接器 | ||||
| SR | 散热器 | ||||
| ZN | 阻尼器 | ||||









![[list:title]](/uploads/allimg/180720/1-1PH0210156.jpg)
