YE-100/150系列膜盒压力表采用膜盒作为测量微小压力的敏感元件,适用于测量对铜合金不起腐蚀作用,无爆炸危险的微压和负压。广泛应用于锅炉通风、气体管道、燃烧装置等及其他类似设备上。
一、结构与测量原理:
膜盒压力表由测量系统(包括接头,波纹膜盒等),传动机构(包括拔杆机构,齿轮传动机构),指示部件(包括指针与度盘)和外壳(包括表壳、衬圈和表玻璃)所组成。
膜盒压力表的工作原理是基于波纹膜盒在被测介质的压力作用下,其自由端产生相应的弹性变形,再经拔杆一齿轮传动机构的传动并予放大,由固定于齿轮轴上的指针逐将被测值在度盘上指示出来。
二、技术指标:
1.使用环境条件:表垂直安装,工作环境温度-25~55℃;相对湿度不大于80%,并且周围空气中不含有腐蚀仪表的有害气体。
2.温度影响使用温度偏离20±5℃时,其温度附加误差不大于0.04%/10。℃
3.测量范围与精确度:
4.导(测)压系统及外壳等主要零件的材质:
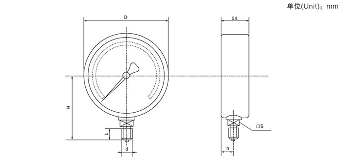
5.膜盒压力表外形尺寸:
| 型号 | 量程范围(KPa) | 精度等级 | ||
| 正压 | 负压 | 正负压 | ||
|
YE-100 YE-150 |
0~1.6 | -1.6~0 | -0.8~0.8 | 2.5 |
| 0~2.5 | -2.5-0 | -1.2~1.2 | ||
| 0~4 | -4~0 | -2~+2 | ||
| 0~6 | -6~0 | -3~+3 | ||
| 0~10 | -10~0 | -5~+5 | ||
| 0~16 | -16~0 | -8~+8 | ||
| 0~25 | -25~0 | -12~+12 | ||
| 0~40 | -40~0 | -20~+20 | ||
4.导(测)压系统及外壳等主要零件的材质:
| 零件名称 | 材料编号 |
| 接头 | 黄铜Hpb59-1 |
| 膜盒 | 锡青铜QSn6.5-0.1 |
| 齿轮传动机构 | 铜Hpb59-1 |
| 表壳,罩壳 | 冷轧钢板20 |
5.膜盒压力表外形尺寸:

| 型 号 | D | H | L | d | h | 口S |
| YE-100 | Φ100 | 90 | 20 | M20*1.5 | 17 | 口22 |
| YE-150 | Φ150 | 118 | 20 | M20*1.5 | 17 | 口22 |

YE-100/150膜盒压力表
YE-100/150B不锈钢膜盒压力表
YEN-100/150膜盒耐震压力表
YEN-100/150B不锈钢膜盒耐震压力表
YEX-100/150膜盒电接点压力表
YEX-100/150B不锈钢膜盒电接点压力表
YE-100/150B不锈钢膜盒压力表
YEN-100/150膜盒耐震压力表
YEN-100/150B不锈钢膜盒耐震压力表
YEX-100/150膜盒电接点压力表
YEX-100/150B不锈钢膜盒电接点压力表









![[list:title]](/uploads/allimg/180720/1-1PH0113243.jpg)