2024幸运飞飞艇168官网现场直播

产品分类

联系方式

地址:江苏金湖县84大道

服务热线:0517-86905928

传真:0517-86905928

手机:15358661929

邮箱:jhjpyb@foxmail.com

联系人:徐经理

指针压力表

当前位置:首页>产品中心>压力表系列>指针压力表
YX电接点压力表
[list:title]

YX电接点压力表

产品优势:
合作客户:
        YX100/150系列电接点压力表是用于测量对铜和铜合金不起腐蚀作用的气体、液体介质的正负压力,并在压力达到预定值时发出信号,接通控制电路,达到自动控制的报警得目的。
电接点压力表具有测量控制功能,可任意设定上、下控制压力值,动作稳定可靠,在石油、化工、电站、冶金等工业企业及机电设备上广泛配套使用。

一、电接点压力表结构原理:
仪表由测量系统、指示装置、磁助电接点装置、外壳、调节装置及接线盒等组成。
当被测压力作用于弹簧管时,其末端产生相应的弹性变形—位移,经传动机构放大后,由指示装置在度盘上指示出来。同时指针带动电接点装置的活动触点与设定指针上的触头(上限或下限)相接触的瞬时,致使控制系统接通或断开电路,以达到自动控制和发信报警的目的。

二、技术指标:
1.接点装置电气参数及控制形式:
触头功率 高工作电压 大工作电流 控制形式
30VA(阻性负载) 220V D.C或380V A.C 1A 上下限、双上限、双下限

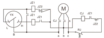
2.电气电路连接示意图:
JZ1、JZ2-继电器及触点
CJ-接触器及触点
RJ-热继电器
M-电机
YX-电接点压力表
L-下限接点(绿)
H-上限接点(红)
B-公共接点(黄)

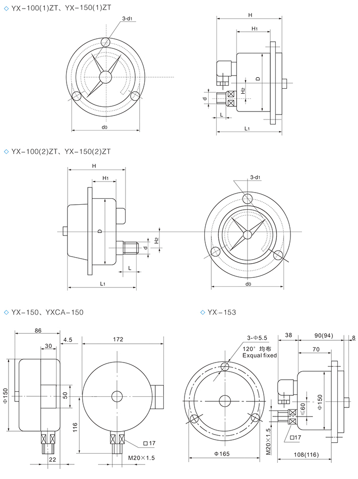
三、电接点压力表外形尺寸图:
型 号 D H H1 H2 D0 d d1 B B1 L L1
YX-60 Φ60 46   13   M14*1.5   56 72 14  
YX-100 Φ100 95   17   M20*1.5   87 121 20  
YX-100ZT 96 33 30 118 5.5     115
YX-150 Φ150 78 40 17 165 M20*1.5 5.5 113 150 20  
YX-150ZT 78 30 100
YX-100/150电接点压力表
YX-100/150B不锈钢电接点压力表
YEX-100/150膜盒电接点压力表
YEX-100/150B不锈钢膜盒电接点压力表
YNX-100/150耐震电接点压力表
YNX-100/150B不锈钢耐震电接点压力表
YENX-100/150膜盒耐震电接点压力表
YENX-100/150B不锈钢膜盒耐震电接点压力表
YX-100/150/MF/ML隔膜电接点压力表
YX-100/150B/MF/ML不锈钢隔膜电接点压力表
YNX-100/150/MF/ML耐震隔膜电接点压力表
YNX-100/150B/MF/ML不锈钢耐震隔膜电接点压力表