2024幸运飞飞艇168官网现场直播

产品分类

联系方式

地址:江苏金湖县84大道

服务热线:0517-86905928

传真:0517-86905928

手机:15358661929

邮箱:jhjpyb@foxmail.com

联系人:徐经理

指针压力表

当前位置:首页>产品中心>压力表系列>指针压力表
Y-60/100/150B不锈钢压力表
[list:title]

Y-60/100/150B不锈钢压力表

产品优势:
合作客户:
        Y-60/100/150B不锈钢压力表采用不锈钢材料制造,主要零件采用1icr18Ni9T、Ocr18Ni12Mo2Ti、 sus316不锈钢材料,适用于有腐蚀性气体环境,具有较强的防被测介质腐蚀和抗环境腐蚀的能力。不锈钢压力表广泛应用于石油、化工、冶金等工业。

一、 技术参数:
名称 型 号 量程范围(MPa) 精度等级
不锈钢压力表 Y-60B 0~0.1、0~0.16、0~0.25、
0~0.4、0~0.6、0~1.0、
0~1.6、0~2.5、0~4.0、
0~6.0、0~10、0~16、
0~25、0~40、0~60、
-0.1~0、-0.1~0.06、
-0.1~0.15、-0.1~0.3、
-0.1~0.5、-0.1~0.9、
-0.1~1.5、-0.1~2.4
2.5
Y-100B 1.6
Y-150B 1.6
不锈钢耐震压力表 YN-60B 2.5
YN-100B 1.6
YN-150B 1.6
轴向带前边不锈钢压力表 Y-60B/ZT 2.5
Y-100B/ZT 1.6
Y-150B/ZT 1.6
轴向带前边不锈钢耐震压力表 YN-60B/ZT 2.5
YN-100B/ZT 1.6
YN-150B/ZT 1.6

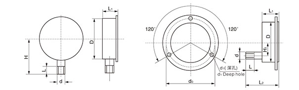
二、不锈钢压力表外形尺寸图:
型 号 D d0 d1 H1 H2 L L1 L2 螺纹接口
Y-60B Φ60 76 4.5 ≤60   14 36 66 M14*1.5
Y-100B Φ100 116 4.8 ≤100 ≤35 20 50 98 M20*1.5
Y-150B Φ150 165 5.8 ≤125 ≤60

三、使用与订货须知:
(1)全不锈钢压力表不适用于外界有氯、硝酸和过氯化氧等强化剂环境。
(2)不锈钢压力表外壳需喷涂PTEE聚四氟乙烯涂层时,订货时注明。
(3)不锈钢压力表接头螺纹如需特殊要求时请说明。
(4)全不锈钢压力表分普通型和耐震型。
(5)订货请说明名称、型号及测量上限。 
Y-60/100/150B不锈钢压力表
YE-60/100/150B不锈钢膜盒压力表
YN-60/100/150B不锈钢耐震压力表
YX-60/100/150B不锈钢电接点压力表
YEX-100/150B不锈钢膜盒电接点压力表
YEN-100/150B不锈钢膜盒耐震压力表
YNX-100/150B不锈钢耐震电接点压力表

2024幸运飞飞艇168官网现场直播