2024幸运飞飞艇168官网现场直播

产品分类

联系方式

地址:江苏金湖县84大道

服务热线:0517-86905928

传真:0517-86905928

手机:15358661929

邮箱:jhjpyb@foxmail.com

联系人:徐经理

电磁流量计

当前位置:首页>产品中心>流量仪表系列>电磁流量计
JPLDE-MC卫生型电磁流量计
[list:title]

JPLDE-MC卫生型电磁流量计

产品优势:
合作客户:
        JPLDE-MC卫生型电磁流量计采用了卫生型衬里材料和衬里工艺,符合食品行业的卫生要求,同时采用了不锈钢外壳及不锈钢卡箍连接,方便电磁流量计的快速拆卸、清洗,使电磁流量计在使用过程中不易被污染,且能有效防止测量流体残余物在测量管中的堆积,卫生型电磁流量计可广泛应用于矿泉水、酱油、果酱、啤酒、果汁、米酒、牛奶等食品的制造过程及卫生、化工等领域。

一、卫生型电磁流量计技术参数:
1.公称通径:DN10~DN65mm;
2.公称压力:≤1.6MPa;
3.精 确 度:±0.5%;±0.3%;
4.测量范围:0~10m/s(流速);
5.衬里材料:PFA;
6.电极材料:316L不锈钢、HB、HC、钛、钽   
7.外壳材料:不锈钢;
8.介质温度:-10℃~+80℃;
9.环境温度:-25℃~+60℃;
10连接方式:卡箍式快速接头;
11.电 源:220V AC 或 24V DC;

二、电磁流量计的产品特点:
1、测量不受流体密度、粘度、温度、压力和电导率变化的影响;
2、测量管内无阻碍流动部件,无压损,直管段要求较低;
3、系列公称通径DN15~DN3000。传感器衬里和电极材料有多种选择;
4、转换器采用新颖励磁方式,功耗低、零点稳定、精确度高。流量范围度可达1500:1;
5、转换器可与传感器组成一体型或分离型;
6、转换器采用16位高性能微处理器,2x16LCD显示,参数设定方便,编程可靠;
7、流量计为双向测量系统,内装三个积算器:正向总量、反向总量及差值总量;可显示.庄、反流量,并具有多种输出:电流、脉冲、数字通讯、HART;
8、转换器采用表面安装技术SMT,具有自检和自诊断功能。

三、卫生型电磁流量计的流量范围:

口径
(DN)
流 量 范 围
(m)3/h
口径
(DN)
流 量 范 围
(m)3/h
口径
(DN)
流 量 范 围
(m)3/h
15 0.4~6.0 150 40~600 700 900~12000
20 0.6~12 200 60~1000 800 1000~16000
25 1.0~15 250 100~1600 900 1200~20000
32 1.0~25 300 160~2500 1000 1600~25000
40 2.5~40 350 200~3000 1200 2500~30000
50 4~60 400 250~4000 1400 3000~50000
65 6~120 450 300~5000 1600 4000~60000
80 10~160 500 400~6000 1800 5000~80000
100 16~250 550 500~8000 2000 6000~100000
125 25~400 600 6000~10000 2200 7000~120000

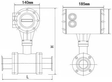
四、卫生型电磁流量计外形尺寸图:
通径
(DN)
L
(mm)
H
(mm)
通径
(DN)
L
(mm)
H
(mm)
15 200 299 200 350 517
20 200 304 250 400 585
25 200 312 300 500 627
32 200 321 350 500 681
40 200 340 400 500 741
50 200 353 450 550 779
65 200 369 500 550 834

五、电磁流量计选型表:
JP-LDE 电磁流量计
口径
(mm)
15 DN15
20 DN20
2600 DN2600
安装方式 Y 一体式
F 分体式式
输出信号 I 4~20mA
H 4~20mA+HART协议
F 频率
R RS485通讯
衬里材质 N 氯丁橡胶(65℃以下)
F 聚四氟乙烯(160℃以下)
P 聚氟乙烯(70℃)
电极材质 3L 316L
HB 哈氏合金B
HC 哈氏合金C
Ti
Ta
By 铂铱合金
压力等级 1 PN1.6
2 PN2.5
4 PN4.0
6 PN6.3
9 PN16
供电方式 D DC 24V
A AC 220V
附加选项 MC 卫生型(卡箍安装)
B 防爆(ExII CT6)

2024幸运飞飞艇168官网现场直播